Процесс подключения радиатора отопления по диагональной схеме
Для того чтобы реализовать все преимущества диагонального подключения радиаторов, необходимо корректным образом осуществить процесс монтажа. Чтобы это сделать, нужно понимать, какие следует иметь инструменты, как правильно наносить разметку и каким образом происходит установка тех или иных элементов.
Фото 1. Схема подключения радиаторов отопления диагональным способом. Красным цветом обозначена подача горячей воды, синим — слив холодной.
Необходимые инструменты
Набор необходимых элементов для диагонального монтажа радиаторов:
- несколько кронштейнов для установки устройства;
- переходные гайки;
- нужное количество заглушек;
- воздухоотводчик (кран Маевского);
- быстроразъемные соединения по типу «американок»;
- запорные краны.
Все вышеперечисленные детали можно приобрести либо в комплекте, либо отдельно. Для работы с этими изделиями нужны следующие инструменты:
- труборезы;
- калибровка;
- пресс-клещи;
- накидные и разводные гаечные ключи;
- трубогибы.
В случае, когда трубы и радиаторы выполнены из различных материалов, могут понадобиться переходники и специальные технические средства для их присоединения.
Нанесение разметки
Для того чтобы корректным образом осуществить монтаж батареи, необходимо следовать определенным нормам и правилам.
Далеко не всегда удается в процессе работы о них вспомнить.
Именно поэтому предварительно следует нанести на стену соответствующую разметку, по которой будут производиться действия.
В этом плане специалисты выделяют следующие три важных пункта:
- Расстояние от нижней части подоконника до верхней грани батареи должно быть от 5 до 10 сантиметров. Это нужно для того, чтобы дать возможность нагретому воздуху нормальным образом циркулировать по комнате. Данное размещение радиатора влияет на уровень теплоотдачи.
- Между напольным покрытием и нижней частью батареи должно быть не менее 8—12 сантиметров. Это условие связано с конвекционными потоками нагретого воздуха.
- Последнее правило касается зазора между радиаторными секциями и непосредственно самой стеной. В норме он должен варьироваться от 2 до 5 сантиметров.
Внимание! В соответствии со всеми вышеперечисленными нормами необходимо при помощи обычного карандаша сделать пометки на стене. Это существенно поможет упростить работу и предотвратить риск возможных ошибок
Кран Маевского
Такой обязательный элемент системы отопления, как кран Маевского представляет собой специальное изделие, использующееся для отвода воздушных пробок из сети отопления. Его открытие происходит ключом либо отверткой.
Фото 2. Кран Маевского, установленный на чугунной батарее. Позволяет спустить лишний воздух из системы отопления.
Накопленный воздух в батареях способен не только парализовать циркуляцию горячей воды, но и запустить процесс коррозии. Ввиду того что изделие предназначено для отвода воздушных масс из радиаторов, его устанавливают преимущественно в местах, где чаще всего возникает эта проблема. Для этого достаточно всего лишь открутить боковую заглушку секции, после чего вкрутить кран на ее место.
Установка «американок»
В патрубки, к которым присоединяются трубопроводы подачи и отвода воды, необходимо обязательно присоединить специальные металлические муфты. Чаще всего их называют «американками».
Для того чтобы их установить, нужно использовать специальный ключ. Он вставляется в просвет крана Маевского, после чего сверху надевается «американка». Главное — правильным образом подобрать ключ, так как он может быть различных диаметров и конфигураций. В некоторых случаях могут использоваться обычные разводные ключи и пассатижи.
Привинчивание вентилей
В итоге на пайке «американок» присоединяются отсекающие вентили. На каждый патрубок необходимо установить один элемент.
Это в случае чего позволит отсечь конкретный радиатор от общей системы отопления. При этом вся сеть обогрева помещения останется работать в штатном режиме.
Установка вентилей также происходит посредством привинчивания. Оно делается между радиатором и специальной перемычкой, которая отводит воду с нижней трубы в верхнюю, если кран перекрыт.
Монтаж радиатора
Установка радиаторов по диагональной схеме является довольно простой и быстрой. Она имеет небольшие особенности, отличающие ее от других методик монтажа. Главное помнить, что в городских квартирах данный способ применяется крайне редко, так как он преимущественно предназначен для частного сектора и отдельно стоящих домов.
Двухтрубная система
Уже исходя из названия становится понятно, что каждый из радиаторов в такой схеме «опирается» на две трубы – отдельно на подачу и «обратку».
Если взглянуть на схему двухтрубной разводки в многоэтажном доме, то сразу видны отличия.
Оба стояка выполняют роль своеобразных коллекторов, к которым параллельно, независимо друг от друга подключены радиаторы отопления
Понятно, что зависимость температуры нагрева от места расположения радиатора в системе отопления – сведена к минимуму. Направление потока определяется только взаимным расположением врезанных в стояки патрубков. Единственное, что необходимо знать – это то, какой конкретно стояк выполняет роль подачи, а какой является «обраткой» – но это, как правило, легко определяется даже по температуре трубы.
Некоторых жильцов квартир может ввести в заблуждение наличие двух стояков, при которых система не перестанет быть однотрубной. Посмотрите на иллюстрацию ниже:
Стояков по два в обоих случаях, а системы отопления – принципиально разные
Слева, хотя вроде бы стояков и два, показана однотрубная система. Просто по одной трубе осуществляется верхняя подача теплоносителя. А вот справа – типичный случай двух разных стояков – подачи и «обратки».
Расстановка
Точное количество секций радиаторов определяется в ходе теплотехнического расчета. Правильно выполненный расчет позволит восполнить потери тепла, повысить энергоэффективность. Основные данные для расчета – значение теплопотерь для каждого отдельного помещения и мощность теплоотдачи секции батареи.
Рассмотрим расчет секций на примере радиаторов кондор
Общая теплоотдача батарей должна компенсировать потери тепла. Также в ходе расчета определяется требуемое сечение труб для каждого участка системы. Существуют типовые варианты размещения отопительных приборов.
Принципы размещения
Правильно будет расположить дополнительные батареи в угловых комнатах и на крайних этажах: потери тепла в этих помещениях значительно выше, нежели в середине здания. Это обусловлено наличием соприкасающихся с наружной средой поверхностей: холодные стены угловых комнат, пол и потолок крайних этажей.
Тепло, уходящее через световые проемы в результате воздухообмена, сразу восполняется, тем самым предотвращаются сквозняки и значительные перепады температур.
Параметры
Виды системы отопления не влияют на способы расположения батарей: они устанавливаются согласно строительным нормам. Главное – обеспечить эффективную циркуляцию воздуха вокруг батареи. Это позволит передать большее количество тепла от теплоносителя помещению.
Параметры расположения радиаторов в нише, обеспечивающие нормальную циркуляцию воздуха:
- 10 см от низа подоконника;
- 12 см от уровня пола;
- 5 см – зазор между агрегатом и стеной или слоем термоизолятора.
Варианты подключения радиаторов
Чтобы знать, как правильно подключить батарею отопления, нужно учесть, что помимо типов разводки трубопровода существует несколько схем подключения батарей к отопительной системе. К ним относятся следующие варианты подключения радиаторов отопления в частном доме:
В этом случае подключение отводящей и подающей трубы производится с одной стороны радиатора. Такой способ подключения позволяет достичь равномерного прогрева каждой секции при минимальных затратах на оборудование и небольшой объем теплоносителя. Чаще всего используется в многоэтажных домах, с большим количеством радиаторов.
Полезная информация: Если батарея, подключенная к системе отопления по односторонней схеме, имеет большое количество секций, эффективность ее теплоотдачи значительно снизится из-за слабого прогрева ее отдаленных секций. Лучше следить за тем, чтобы число секций не превышало 12 шт. или использовать другой способ подключения.
Используется при подсоединении к системе отопительных приборов с большим количеством секций. В данном случае подводящая труба так же, как и при предыдущем варианте подключения, находится сверху, а обратка – снизу, но располагаются они с противоположных сторон радиатора. Таким образом, достигается прогрев максимальной площади батареи, что повышает теплоотдачу и улучшает эффективность обогрева помещения.
Эта схема подключения, иначе называемая «ленинградкой», используется в системах со скрытым трубопроводом, проложенным под полом. При этом подключение подводящей и отводящей труб производится к нижним патрубкам секций, расположенных на противоположных концах батареи.
Недостатком данной схемы являются теплопотери, достигающие 12-14 %, компенсировать которые позволяет установка воздушных клапанов, предназначенных для удаления воздуха из системы и повышения мощности батареи.
Теплопотери зависят от выбора способа подключения радиатора
Для быстрого демонтажа и ремонта радиатора его отводящая и подводящая трубы комплектуются специальными кранами. Для регулировки мощности он снабжается терморегулирующим устройством, которое устанавливается на подводящей трубе.
Какими обладают алюминиевые радиаторы отопления техническими характеристиками. вы можете узнать из отдельной статьи. В ней вы также найдете перечень популярных фирм-производителей.
А о том, что собой представляет расширительный бачок для отопления закрытого типа. читайте в другой статье. Расчет объема, установка.
Советы по выбору проточного водонагревателя на кран есть здесь. Устройство, популярные модели.
Как правило, монтаж отопительной системы и установка радиаторов отопления производится приглашенными специалистами. Однако, используя перечисленные способы подключения радиаторов отопления в частном доме, это можно сделать самостоятельно, строго соблюдая технологическую последовательность этого процесса.
Если выполнить эти работы точно и грамотно, обеспечив герметичность всех соединений в системе, с ней не возникнет никаких проблем при эксплуатации, а расходы на монтаж будут минимальными.
На фото пример диагонального способа установки радиатора в загородном доме
Порядок действий при этом будет следующим:
- Демонтируем старый радиатор (при необходимости), предварительно перекрыв отопительную магистраль.
- Производим разметку места установки. Фиксация радиаторов производится на кронштейны, которые нужно прикрепить к стенам, с учетом нормативных требований, описанных ранее. Это нужно учитывать при разметке.
- Крепим кронштейны.
- Собираем батарею. Для этого на имеющиеся в ней монтажные отверстия устанавливаем переходники (идут в комплекте с прибором).
Внимание: Обычно два переходника имеют левую резьбу, и два – правую!
- Для заглушки неиспользуемых коллекторов используем краны Маевского и запорные колпачки. Для герметизации соединений используем сантехнический лен, наматывая его на левую резьбу против часовой стрелки, на правую – по часовой.
- Прикручиваем краны шарового типа к местам соединения с трубопроводом.
- Вешаем радиатор на место и соединяем его с трубопроводом с обязательной герметизацией соединений.
- Производим опрессовку и пробный пуск воды.
Таким образом, перед тем, как подключить батарею отопления в частном доме, необходимо определиться с типом разводки в системе и схемой ее подключения. Монтажные работы при этом можно выполнить и самостоятельно, учитывая установленные нормы и технологию процесса.
Как проводится установка батарей отопления в частном доме видео продемонстрирует вам наглядно.
Схемы подключения радиаторов отопления в частном доме
Многие даже не догадываются, что такая схема подключения значительным образом оказывает влияние на теплоотдачу прибора отопления, циркуляцию внутри него теплоносителя и интенсивность движения горячей воды. Это моменты, влияющие на эффективность работы отопительной системы в целом.
Схемы разводки труб
Для частных домов характерна однотрубная и двухтрубная разводка. В чем их отличие?
Однотрубная разводка
Является самым экономным вариантом. Благодаря схеме должно получиться следующее:
- По низу пола от котла отопления проводится труба, проходящая через все помещение и возвращающаяся обратно к котлу.
- Поверх трубы устанавливают радиаторы, а соединение осуществляется по нижним патрубкам. Одновременно с этим из трубы внутрь отопительного прибора происходит поступление горячей воды, которая полностью его заполняет. Отдавшая тепло часть теплоносителя начинает опускаться вниз и выходит через второй патрубок, опять поступая в трубу.
В результате происходит поэтапное соединение радиаторов с нижним подключением батарей
В этом случае стоит обратить внимание на один негативный момент, влияющий на эффективность отдачи тепла. В результате такого последовательного соединения однотрубной разводки происходит постепенное уменьшение температуры теплоносителя в каждом последующем элементе отопления
Из-за этого последняя комната будет самой холодной
Из-за этого последняя комната будет самой холодной.
Решается эта проблема двумя способами:
- в систему подключают циркуляционный насос, который равномерно распределяет горячую воду по всем приборам отопления;
- в последней комнате можно нарастить радиаторы, в результате увеличится площадь тепловой отдачи.
Эта схема имеет такие преимущества, как:
- простота подключения;
- высокая гидродинамическая устойчивость;
- небольшие расходы на оборудование и материалы;
- можно использовать различные виды теплоносителя.
Двухтрубная разводка
Для частного дома такая схема отопления считается самой эффективной. Однако стоит учесть тот факт, что затраты поначалу будут немалыми, ведь потребуется провести разводку двух труб, для осуществления подачи и отвода горячей воды. Но все равно такая схема имеет определенные преимущества перед однотрубной:
- теплоноситель равномерно распределяется по всему помещению;
- можно контролировать и регулировать определенный режим температуры в каждой комнате;
- осуществление ремонта любого элемента системы отопления возможно без ее отключения;
- топлива расходуется очень мало.
Устройство радиатора отопления
Радиатор отопления состоит из нескольких теплообменных секций. Чем больше секций, тем, соответственно, выше мощность батареи. Существуют такие модели радиаторов, которые можно «доращивать» новыми секциями в случае необходимости уже в процессе эксплуатации.
Через все секции проходит один коллектор в верхней части и один в нижней. В каждой секции есть вертикальный канал, соединяющий верхний и нижний коллектор. Это касается всех секций, включая крайние. Поэтому радиатор имеет 4 выхода, но используются только два из них. Один подключается к трубе подачи теплоносителя, а второй служит для отвода остывшей воды обратно в котел. Незадействованные выходы закрывают заглушками. Так устроено большинство радиаторов.

Схема радиатора отопления Источник mr-build.ru
Варианты расположения радиаторов
Когда с типом разводки труб определились, переходим к следующему этапу – выбираем места расположения отопительных элементов.
Вне зависимости от того, биметаллический, алюминиевый или чугунный у вас радиатор, он должен располагаться непосредственно под окном. Таким образом создается тепловой барьер, препятствующий потокам холодного воздуха. Помимо этого, тепло от батареи обогревает стекла, что препятствует возникновению на них конденсата.
Нормы установки отопительных элементов:
- высота от пола до нижней кромки батареи – 8-12 см;
- высота от её верхней кромки до нижней части подоконника – от 10 см;
- расстояние от стены до ребер батареи – от 2 см;
- ширина радиатора – не менее 70% ширины оконного проема.
Нарушение указанных норм может привести к снижению эффективности системы отопления:
В комнатах с большим количеством окон следует установить отопительные элементы под каждым оконным проемом. В угловых комнатах также увеличивают их число.
Лофт
В этом году стиль остается востребованным. Его часто используют для того, чтобы обустроить кухни, совмещенные с гостиной. Такое объединение дает больше свободного места, что только подчеркнет все детали лофта.
Например, стилисты обыгрывают кладку из кирпичей, провода или бетонные стены. На фотографиях хорошо показано, как удачно это может выглядеть гостиной, которая объединена с кухней.
Для лофта подбирают шероховатые и неоднородные поверхности, грубые материалы. В квартирах, оформленных в таком стиле, устанавливают настенные светильники. При этом свет направляют вдоль стенок.
За счет этого тени падают так, что неравномерные поверхности выглядят объемными. Первое время к лофт относились с опаской, но он быстро стал популярным. Дизайнеры не скрывают материалы для отделки и даже их подделывают. Чтобы имитировать бетонную поверхность и подтеки, используют декоративную штукатурку.
Этапы монтажа
Как правильно установить и подключить радиатор отопления в частном доме самостоятельно? Работа по установке батарей отопления производится в несколько этапов:

- Подготовка к работе. Сначала требуется отключить подачу теплоносителя. Для этого нужно перекрыть запорно-регулирующую арматуру в каждой точке отопления.
- Разметка места монтажа радиатора. К этому этапу стоит отнестись серьезно, поскольку в СНИП оговорено, по каким правилам должны устанавливаться батареи:
- расстояние до подоконника и пола должно составлять не менее 10 см;
- расстояние от стены — минимум 5 см;
- отопительное устройство должно устанавливаться с небольшим наклоном, поскольку это предупредит скапливание воздуха в его верхней части.
- Сборка батареи. Практически все приборы поставляются с уже проделанными отверстиями, находящимися по углам изделия. Два из них, в зависимости от используемой схемы, применяются для прямой и обратной труб, а остальные закрываются заглушками.
Если планируется установка чугунной батареи, то сначала нужно вкрутить в коллекторы, расположенные на ней, переходники из комплекта, а затем подключить все коммуникации. Элементы, монтирующиеся на резьбу, сначала накручивают руками, а затем затягивают инструментом.
Монтаж шаровых вентилей на выходе и входе в батарею позволит в будущем осуществлять ее обслуживание и реставрацию без полного отключения отопления во всем доме.

Установка такого радиатора должна выполняться с учетом его массы и материала, из которого сделана стена:
- если она бетонная или кирпичная, необходимо подобрать крепеж, способный выдержать вес радиатора, заполненного водой; СНИП советует в данном случае применять минимум 3 кронштейна, предназначенных для стен;
- на стены из древесины или гипсокартона вешать такие отопительные изделия нельзя, поскольку они могут не выдержать значительной нагрузки; в таких случаях батареи устанавливают на напольные подставки, используя настенное крепление только для их поддержки в вертикальном положении.
Когда планируется осуществить установку алюминиевых изделий, нужно помнить о том, что они хрупкие и легкие
Поэтому их устанавливают очень осторожно, не удаляя упаковку. Подобные агрегаты поставляются в комплекте с кронштейнами
Их можно крепить к любой стене.
Все резьбовые соединения уплотняют. Желательно применять для этих целей сантехнический лен. Его наматывают по ходу резьбы. Профессионалы уверяют, что для герметичного соединения будет вполне достаточно 4—5 оборотов. Для надежности можно обработать соединение герметиком.
Принципы монтажа
Обустройство автономной системы отопления желательно доверить профессионалам, но многие владельцы частных домов предпочитают выполнить собственными силами часть работ или самостоятельно смонтировать систему целиком. Требуется вести монтаж согласно подготовленным чертежам и обеспечить герметичность всех соединений.
Порядок действий при подключении радиатора:
- выполнение разметки на стене (или на полу, если устанавливается батарея в напольном исполнении, оснащенная соответствующей системой крепления);
- радиатор фиксируется на кронштейны и примеряется к месту установки;
- кронштейны снимаются с батареи и надежно крепятся к стене;
- на радиатор устанавливаются штатные переходники для подсоединения труб (на входные отверстия, соответствующие схеме монтажа);
- на одно из оставшихся верхних отверстий устанавливается воздухоотводчик, на оставшееся четвертое отверстие – штатная заглушка;
- на места соединения с трубопроводом монтируются шаровые отсечные краны, на патрубок для подающей трубы рекомендуется поставить терморегулятор, если система отопления двухтрубная;
- радиатор навешивается на кронштейны;
- установленный радиатор подключается к подающему и обратному трубопроводу;
- после монтажа системы выполняется опрессовка с целью найти ненадежные соединения.

Для герметизации резьбовых соединений допускается использовать сантехнический лен или фум-ленту, но сегодня на рынке представлены высокотехнологичные уплотнители, рассчитанные на высокий нагрев – полимерная нить, резьбовой герметик анаэробный для отопительных систем.
Особенности обвязки полипропиленовыми трубами
Явным преимуществом полипропиленовых труб является то, что они позволяют создавать отопительный контур любой сложности. То есть, если вы новичок и придумали довольно сложную схему трубопровода – использовать для нее трубы такого типа вполне допустимо. Однако следует учитывать одну особенность – сложный продолжительный трубопровод имеет более высокую теплопотерю. Поэтому еще раз все тщательно продумайте – возможно, есть шанс сделать систему более простой, повысив, тем самым, качество отопления.

Соединение полипропиленовых труб может выполняться двумя способами. Прежде всего – трубы можно спаивать. Это более надежный метод, который в случае качественного исполнения исключает протекание. Второй метод соединения – использование фитингов. Он менее надежен, поскольку, если произойдет даже незначительное смещение, – начнется просачивание теплоносителя
Важно обратить внимание – если есть возможность избежать соединения – лучше ею воспользоваться
Современные полипропиленовые трубы отличаются прекрасными характеристиками. Прежде всего, они имеют весьма продолжительный срок эксплуатации – 40 лет.
Кроме того, использование современных технологий при создании материала сделало его довольно выносливым – труба с легкостью выдерживает внутреннее давление в 25 Бар. Еще одна особенность – даже продолжительное воздействие сильно нагретого теплоносителя (до 95 градусов) не вызывает деформацию труб.
Обвязка электрокотла отопления
Вместе с тем, есть некоторые ограничения относительно использования полипропиленовых труб в непосредственной близости от котла, которые следует знать перед тем, как поставить их в системы и перед тем, как запустить батарею отопления. Так, труба подвода газа к нагревательному котлу должна иметь исключительно жесткое соединение. Как говорят нормы установки батарей отопления, подключение к котлу должно происходить через металлический сгон (или американку) с паронитовыми прокладками. Недопустимо применение фум-ленты или пакли. Дело в том, что резиновые прокладки могут при нагреве значительно уменьшаться в размере – и даже могут перекрыть проход для подачи газа. А фум-лента и пакля могут просто загореться от высокой температуры – а это может привести к печальным последствиям.
Перед тем, как включить батарею отопления, требуется все тщательно проверять.
Также важный момент – это как перекрыть батарею отопления. Это требуется производить в том случае, если нужно произвести такую операцию, как отключить батарею отопления или демонтировать ее. Такой этап, как правильно перекрыть батарею отопления, требуется в случае обвязки с применением запорных кранов.

Материалы и инструменты, необходимые для монтажа
Грамотная установка радиаторов отопления самостоятельно хозяином жилья потребует наличие специального инструмента и определённых расходных материалов. Что касается первых и вторых, то их вид и размеры зависят от выбранных моделей приборов отопления, способа их подключения и пр. В любом случае для монтажа радиаторов обязательно потребуется необходимый набор инструментов и материалов.
Как подключить радиатор отопления с боковым подключением
Инструмент и приспособления
Так, как все батареи, кроме напольных приборов, крепятся к стенам, то для этого нужно будет вооружиться следующим:
- перфоратор;
- дрель-шуруповёрт;
- сварочный аппарат для полипропиленовых труб;
- молоток;
- уровень;
- рулетка и линейка;
- маркер;
- гаечный и трубный ключи;
- торцевой ключ для сборки секций.
- шнур или намотка для резьбовых соединений;
- герметик.
Материалы
Обычно фирма-изготовитель к своим радиаторам отопления поставляют в продажу монтажные наборы, как для сборки и подключения батарей, так и для навески их на стены. В данных наборах встречается минимально необходимый для установке комплект состоящий из:
- Кронштейнов.
- Кран Маевского или автоматический воздухоотводчик.
- Заглушек.
- Запорной арматуры.
Кронштейны
Они могут присутствовать в комплекте поставки радиаторов. Если их нет, то необходимый крепёж можно приобрести в ближайшем строительном супермаркете.
Существует много разных по конструкции и форме опор для батарей, но всех их объединяет высокая несущая способность и передача нагрузки от веса радиатора на стену. Кронштейны могут быть строго фиксированными конструкциями и с регулировочными механизмами, как по длине, так и высоте.
Кран Маевского или автоматический воздухоотводчик
В процессе прохождения теплоносителя по системе отопления, захваченный им воздух попадает в радиаторы. Обычно это происходит при запуске отопительной системы по окончании тёплого времени года. Воздушные пробки, если их не удалить, сдерживают прохождение горячей воды в верхнем коллекторе батареи, и она будет оставаться холодной.
Кран Маевского — небольшое устройство, которое вкручивают с одной из сторон верхнего коллектора в свободное отверстие. Если диаметр крана отличается от размера резьбового входа в коллектор, то применяются специальные переходники. На резьбу устройства наматывают уплотнитель
Гаечным ключом осторожно закручивают кран до упора
Сброс воздуха производят откручиванием винта или ручки. Поворотом кольца меняют направление воздушного потока. Воздух сбрасывают до появления сплошной струи воды
В многоквартирных домах важно произвести сброс воздуха в радиаторах верхних этажей
Автоматы, по отзывам специалистов довольно капризные устройства и не переносят загрязнённый теплоноситель. Со временем автоматический воздухоотводчик, установленный в системе централизованного отопления, начинает протекать. Поэтому рекомендуется их использовать в автономном отоплении частных домов, где применяется чистый теплоноситель.
Заглушки
Универсальность батарей отопления с боковым подключением заключается в том, что 4 выходных отверстия – по два на нижнем и верхнем коллекторе. Два из них в зависимости о схемы подключения заняты подающим и обратным патрубками.
В третье отверстие устанавливают кран Маевского или автоматический воздухоотводчик. Остаётся четвёртое отверстие, которое «глушат» резьбовой пробкой (заглушкой). Её вкручивают в отверстие коллектора гаечным ключом с накрученной на резьбу подмоткой (паклей, уплотнительным шнуром или лентой).
Запорная арматура
Запорная арматура для радиаторов отопления — это три вида кранов.
Шаровые. Используются в двух крайних положениях: «закрыто» или «открыто». Их ставят на входе и на выходе батареи. Роль в кране запора исполняет поворотный металлический шар со сквозным отверстием. Поворачивая его наружным рычагом, добиваются полного открытия или закрытия прямотока теплоносителя.
Штоковые. Это традиционная схема перекрытия протока подвижным штоком, находящимся на одной оси с поворотной головкой. В отличие от шарового устройства штоковым краном изменяют скорость прохода горячей воды, следовательно, регулируют степень нагрева батареи.
Обратный клапан. Краном с обратным клапаном отсекают отток теплоносителя на определённом участке отопительной системы. Их редко применяют в централизованных сетях отопления. Чаще всего их используют в особо сложных автономных отопительных системах.
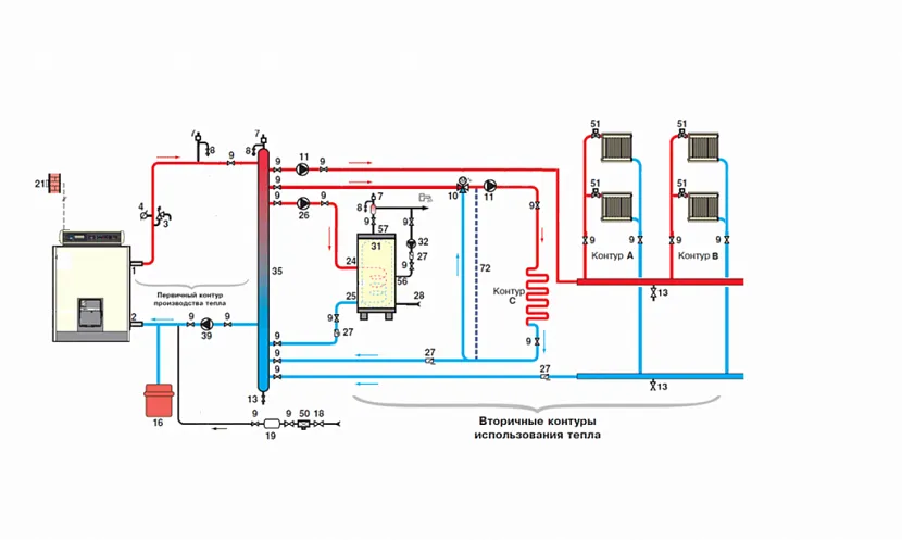
Схема отопительной системы
Основным элементом отопительной системы является, конечно же, нагревательный котел
Важно учитывать – схема обвязки радиатора отопления во многом зависит именно от котла. В частности, если вы выбрали нагревательный элемент напольного типа, он ни в коем случае не должен располагаться в верхней части отопительной системы – это может спровоцировать сбой в работе или снижение эффективности
Кроме того, чаще всего такие котлы не имеют компонентов отвода воздуха – а это означает, что в котле может образоваться воздушная пробка. Также, важно учитывать и тот факт, что в случае если котел не имеет воздухоотвода, то трубы подающей магистрали должны быть смонтированы строго вертикально.
Узнать, оснащен ли котел воздухоотводчиком, достаточно просто
Необходимо лишь обратить внимание на то, есть ли в нижней части нагревательного котла патрубки. В таком случае, подающая магистраль и трубы обрата подсоединяются к ним посредством специального коллектора
Обвязка котла отопления
О том, встроен ли в отопительный котел прибор для отвода воздуха, можно узнать по вмонтированным в нижнюю его часть патрубкам. Они служат для подсоединения котла к отопительной сети. Чаще всего такими патрубками оборудованы газовые и электрические отопительные котлы настенного типа.
Некоторые модели котлов не имеют таких элементов, как циркуляционный насос, расширительный бак, устройство регулирования давления.
Однако при необходимости все эти компоненты можно приобрести отдельно. При этом следует учитывать место расположения всех компонентов. Например, циркуляционный насос рациональнее устанавливать перед входом в насос – на трубах обрата. А вот группа безопасности может быть установлена как на подающем контуре, так и на обратном.
Когда делается обвязка радиаторов отопления полипропиленом, важно учитывать еще и то, какого типа систему вы устанавливаете. В случае если это система с естественной циркуляцией теплоносителя, то, разумеется, большинство данных компонентов вам не понадобятся – они используются в системах с принудительной циркуляцией
Далее будет следовать опрессовка радиаторов отопления, которая проверит качество системы.
Видео, как выполняется обвязка батарей отопления, можно посмотреть ниже. Также можно заметить, как проводится экспертиза радиатора отопления после проведенной обвязки.
https://youtube.com/watch?v=pkdAhF84Sjk
Типы отопительных котлов
Центральным элементом отопительной системы является котел – отопительное устройство, в котором теплоноситель достигает нужной температуры. Схема подключения отопления в частном доме во многом зависит от того, какой именно котел в ней используется.
По назначению котлы делятся на двухконтурные и одноконтурные. Первый вариант – это оборудование, предназначенное и для отопления, и для нагрева воды. Одноконтурный котел греет только теплоноситель для отопления. По способу установки они делятся на напольные и настенные.
Различаются котлы и по виду топлива, при помощи которого обогревается теплоноситель. Существуют котлы следующих видов:
- газовые;
- электрические;
- твердотопливные;
- жидкотопливные;
- комбинированные.
Для работы твердотопливных котлов используется уголь, дрова, реже торф и другие варианты твердых горючих материалов. В качестве жидкого топлива для котлов соответствующего типа применяется дизель или отработанные масла.

Твердотопливный водяной котел в частном доме Источник otoplenie-gid.ru
Большинство загородных коттеджей отапливается газовыми котлами. В не газифицированных местностях часто используется обогрев при помощи электричества. Полностью независимыми от коммуникационных сетей являются котлы твердотопливные и жидкотопливные. Первый вариант более привлекателен тем, что для него нужны традиционные дрова и уголь, а не опасные горючие жидкости.
Самые предусмотрительные домовладельцы устанавливают в своих домах комбинированные котлы, предназначенные для работы на разных видах топлива. Например, можно установить электрокотел, дополненные камерой сгорания для твердого топлива, чтобы в случае повреждения электросети перейти на дровяное отопление.
Двухконтурные котлы, обеспечивающие жилище теплом и теплой водой, это преимущественно газовые устройства. Они универсальны, так как избавляют домовладельцев от необходимости покупать и устанавливать отдельно водонагревательный бойлер.

Схема двухконтурного отопления в доме Источник pikucha.ru





































